服务热线:0415-6155111
热敏电阻
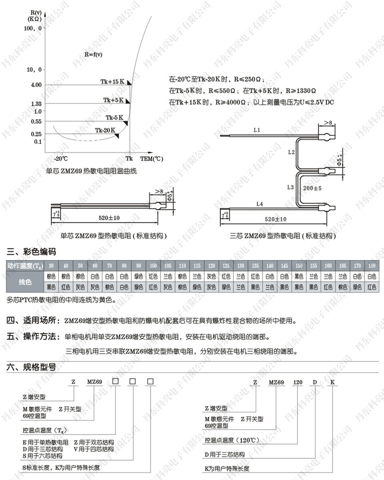
ZMZ69增安型电机保护PTC热敏电阻
发布时间:2018/8/22 16:34:24          阅读:6233



公司主要生产经营电机保护PTC热敏电阻、电机防潮加热带、电机保护热敏开关、电机轴承及线圈温度数字显示传感器,以及与传感器配套的智能温度显示仪表等产品,并可根据用户需求可以特殊定制。

地址:辽宁省丹东市产业园区金泉工业区甘泉路(银泉2街)3号

传真:(86)0415-6150222 电子邮箱:sales@keliang.com

Copyright2024©丹东科亮电子有限公司版权所有 All Rights Reserved